Tri Gear Flow Meter

Tri Gear Flow Meter Manufacturers

Tri-gear Flowmeters are precise, reliable and rugged instruments for the volumetric flow of liquids in general industrial, petroleum and chemical applications that require high degrees of accuracy and repeatability. They operate on the Positive Displacement principle using advanced gear technology and offer a competitive alternative to their Oval Gear, Sliding Vane and Bi-Rotor alternatives.

Operation Principal

Liquid Passes into the single case measuring chamber and displaces two Trigears. Each rotation of a Tri-gear is proportional to a discrete unit of volume, in turn, the speed at which the gears rotate is directly proportional to flowrate. Reed and Hall Effect sensors mounted outside the pressure boundary detect the movement of the Tri-gears, thus allowing local or remote instruments to display flow total, rate of flow or facilitate batching applications.

Meters can be fitted with additional sensors to provide in phase or out of phase signals for applications such as bidirectional flow.

Benefits

  • High Resolution Digital Output
  • Wide Rangeability
  • Bi-directional flow capability
  • Digital or Analogue Outputs available.
  • HART Output option
  • Less slippage than oval gear meters.
  • Smoother and quieter than Oval Gear Meters.
  • Dual Output standard (reed and hall effect)
  • Low Mass Tri-gears facilitate fast response time to step changes in flowrate.
Tri Gear Flow Meter

Maximum flow is to be reduced as viscosity increases, see flow de-rating guide. Max. allowable pressure drop is 140Kpa (20psi).
Model Prefix TG008 TG015 TG020 TG025 TG040 TG050
Capacity Group Small Capacity Medium Capacity
Nominal size (inches) 8mm (3/8”) 15mm (1/2”) 20mm (3/4”) 25mm (1”) 40mm (1.5”) 50mm (2”)
*Flow range – litres/min
– US gal/min
0.25 ~ 9.2 1-40 2 ~ 50 5 ~ 150 10 ~ 250 20 ~ 500
0.07 ~ 2.4 0.3 ~ 10.5 0.6 ~ 13 1.3 ~ 40 2.6 ~ 66 5 ~ 132
**Accuracy @ 3cp ± 0.5% of reading ± 0.25% of reading (15:1 turndown),
± 0.5% of reading (25:1 turndown)
Repeatability typically ± 0.01% of reading
Temperature range -20°C ~ +120°C (-4°F ~ +250°F), refer factory for lower & higher temperatures
Maximum pressure (threaded meters) bar (PSI)
Aluminium Meters 30 (440)
316 Stainless Steel meters 34 (495) 30 (440)
High Pressure models refer factory
Electrical – for pulse meters (see below for optional outputs)
Output pulse resolution Pulses/litre (pulses/US gallon) – nominal
Reed Switch and Hall Effect 670
(2546)
77
(292.6)
77
(292.6)
33.5
(125.4)
11.5
(43.7)
6.5
(24.7)
High Resolution Hall / Quadrature 1340
(5092)
154
(585.2)
154
(585.2)
67
(254.6)
23
(87.4)
13
(49.4)
Reed Switch output 30Vdc x 200mA max. (maximum thermal shock 10°C (50°F)/minute)
Hall Effect output (NPN) 3 wire open collector, 5 ~ 24Vdc max., 20mA max.
Optional outputs 4 ~ 20mA, scaled pulse, quadrature pulse, flow alarms or two stage batch control
Physical
Protection class IP66/67 (NEMA4X), integral ancillaries can be supplied Intrinsically Safe
Noise generation @ maximum flow - 75db
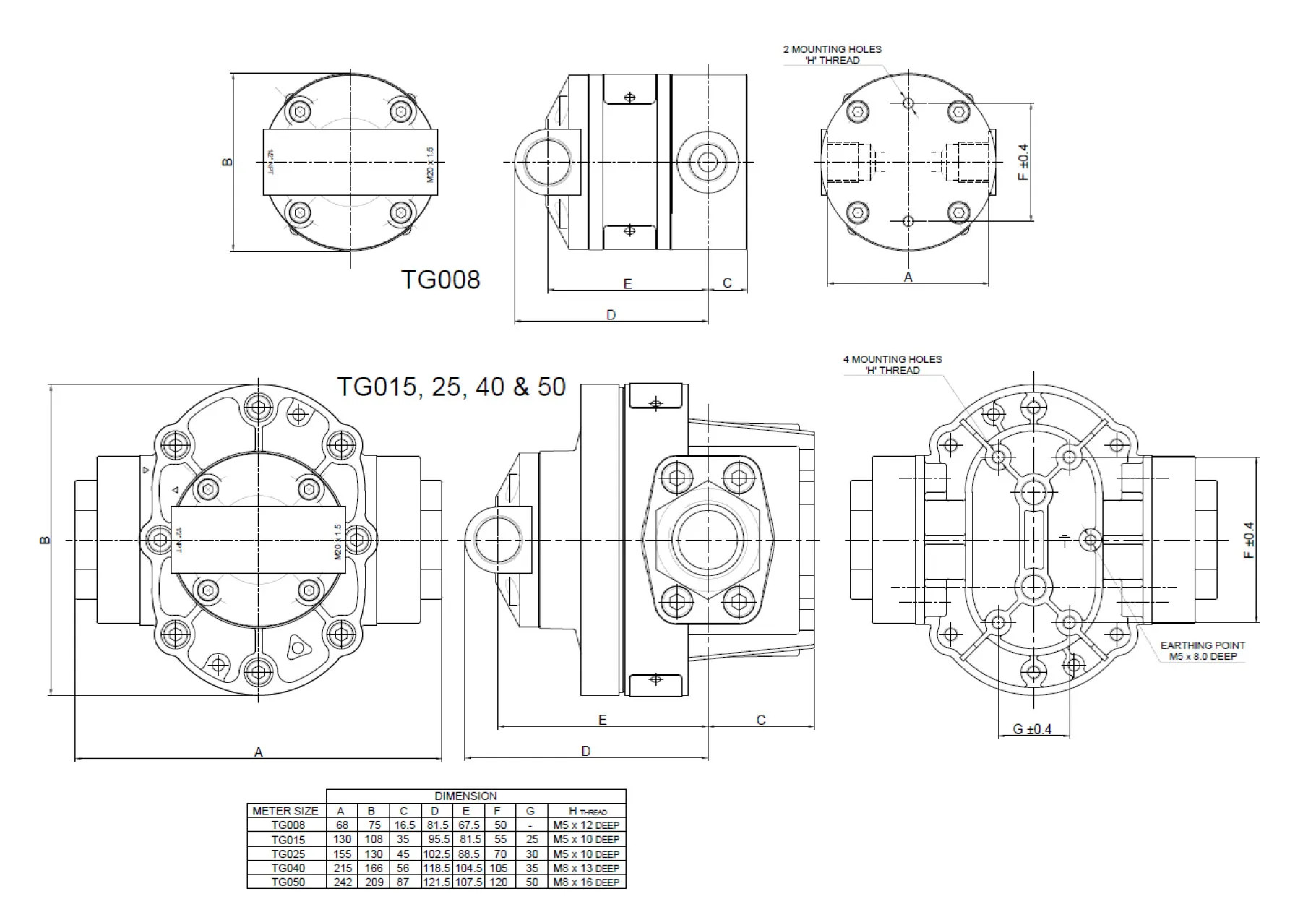
Dimensions Refer datasheet
Pressure drop chart Refer datasheet
Min. filtration – microns (mesh) 75 microns
(200 mesh)
150 microns (100 mesh)
Approximate shipping weights (basic threaded meter) kg
Stainless Steel 2.2 3.0 3.0 4.0 9.0 12.0
Aluminium 1.0 1.5 1.5 2.0 4.0 6.0

FAQ's

A Tri Gear Flow Meter is a positive displacement flow meter that uses triangle shaped interlocking gears to measure the flow of viscous fluids. As the fluid passes through the meter, it turns the gears. The rotation rate is proportional to the flow rate, which is then converted into volume.

Tri Gear Flow Meters are ideal for measuring high-viscosity fluids such as lubricating oils, adhesives, paints, resins, and heavy fuels. They are not recommended for fluids containing large particulates or abrasive materials. Specially focused for pharmaceutical and food graded liquid due to PEEK moc gear.

Key advantages include high accuracy, excellent repeatability, durability with viscous and non-lubricating fluids, and suitability for harsh environments. They also require minimal straight pipe runs, making them space-efficient.

Most Tri Gear Flow Meters offer an accuracy of ±0.5% of reading or better, depending on the model and installation conditions. Proper calibration and maintenance help maintain this accuracy over time.

Yes, Tri Gear Flow Meters can typically be installed in both horizontal and vertical orientations, as long as the meter remains full of liquid and the flow direction matches the arrow on the meter body.

Let’s Talk

Get in Touch.

Scan the QR to call