Tri Gear Large Flow Meter

Nominal size ( inches) TG080 (3") TG100 (4")
Flow range (LPIM) Iitres/min) 25-700 50-1500
Flow range (GPM) US gal/min) 6.5 200 13 - 400
Accuracy @ 3cp ± 0.5% of reading (t0.25o Of reading over 6:1 turndown)
Repeatability Typically, t 0.03% of reading
Temperature range -30°C +120°C(-22F- +250°F)
Maximum pressure Bar (psi)
Aluminium meters 15 (220) 15 (220)
Stainless Steel 20 (290) 20 (290)
Electrical - for pulse meters (see below for optional outputs)
Output pulse resolution pulses/ litre (pulses / US gallon) nominal
Reed switch 2.8 (10.6) 1.4 (5.3)
Hall effect 11.2 (42.5) 5.6(21.5)
Quadrature Hall Effect option 5.6 (21.2) 2.3 (10.6)
Reed sWitch output 30Vdc x 200mA max. (maximum thermal shock 10C (18*F)/minute)
Hall effect output (NPN) 3 wire open collector, 5~24Vdc max., 20mA max.
Optional outputs 4~20mA, Scaled pulse, quadrature pulse, flow alarms or two stage batch control
Physical
Protection class IP66/67 (NEMA4XI, optional Ex I| 2GExEx d IIC T6 to T4, Ex II 1G Ex ia IC T2 or T4 Ga. Integral readouts can be supplied to either classification.
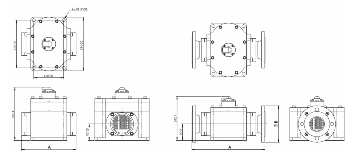
Overall dimensions Refer Below
Recommended filtration 350 microns (40 mesh)

CONNECTION TYPE
DIMENSION 3'BSP 4"BSP PN16 DN80 PN16 DNI00 DN80 ANSI150 DN80 ANSI300
A 294 294 394 398 433.8 465.4
B 125 125 200 220 190 254

FAQ's

A Tri Gear Large Flow Meter is used to measure the flow of high-viscosity fluids such as oils, fuels, resins, and chemicals in industrial applications. It’s ideal for precise flow measurement in processes that require high accuracy and durability. Specially this is used for bulk liquid transfer or high volume measurement.

Regular cleaning and inspection are recommended, especially when handling abrasive or sticky fluids. Periodic calibration helps maintain accuracy, and worn-out gears or seals should be replaced as needed.

Let’s Talk

Get in Touch.

Scan the QR to call